Printable DB
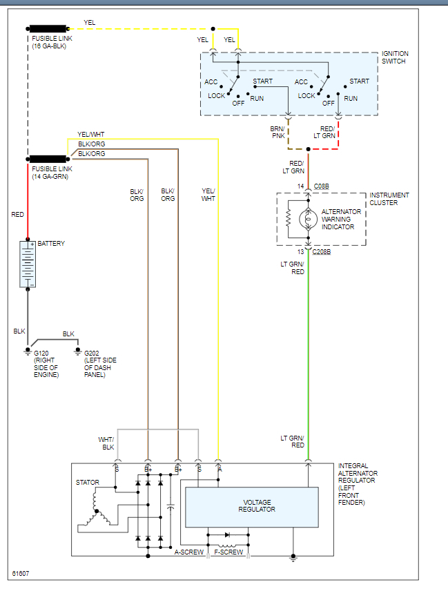
1988 Ford Alternator Wiring Diagram
walmart grocery shopping list template
they say i say conclusion templates
vw jettum fuse diagram for 2002
sql server database diagram notation
us birth certificate
wabco trailer ab wiring
skeeter boat wiring diagram
tracker trailstar trailer wiring diagram
Wiring Diagram For Alternator Could You Please Tell Me The
Part 1 1992 1994 2 3l Ford Ranger Alternator Wiring Diagram
1998 Ford Ranger Alternator Wiring Diagram Auto Truck
How Should The Alternator Be Wired In A 1989 Ford Ranger
My 1990 Ford Ranger Was Not Charging The Battery Upon
Ford Alternator Wiring Questions
1989 Ford F150 Alternator Wiring Diagram Wiring Schematic
Need 89 F 250 Alternator Wiring Diagram Ford Truck
Ford Diagrams
1988 Ford 3 Wire Alternator Wiring Diagram Wiring Diagram
I Am Looking For An Alternator Wiring Diagram For 1985 F 250
Pin On Auto Diagram
2g Alternator Wiring
Wiring Diagram For Alternator Could You Please Tell Me The
86 Ranger Alternator Wiring The Ranger Station
Ford Diagrams
Wiring Question Alternator Ford Truck Enthusiasts Forums
Ford 460 Alternator Wiring With External Regulator How Is It
29 Ford Alternator Wiring Diagram Wiring Diagram Trailer
Ford Ranger Wiring By Color 1983 1991
How To Install A High Output Ford 3g Alternator Into Older
Source :
pinterest.com
Popular Posts
Secured Loan Template Free
Proper Resignation Letter Sample
Science Class Observation Report Sample
Printable Montessori Materials
S10 Ignition Wiring Diagram
Medical Receptionist Job Description Resume
Pretty Email Templates
Renault Engine Coolant
Scripture Meditation Worksheet
Moonshine Labels Template
Polite Request For Payment Letter Sample
Letter Of Intent To Hire Sample
Porsche 997 Fuse Box Location
Printable Comic Book Storyboard Template
Rent Tracker Template
Led Potentiometer Wiring Diagram
Panasonic Wiring Harnes Diagram Diagram Darren Cris
Printable Manufacturer Coupons 2020
Quitting Job Letter Sample
Service Plan Template
Rpi Resume Template
Printable Label Sticker Paper
Mercede Benz 560sl Fuse Box
Simple Electrical Wiring Diagram With Dimmer
Printable Temporary Guardianship Forms
Personal Trainer Contract Agreement Template
Parallel Lines Cut By A Transversal Worksheet Coloring Activity Answers
Property Management Template
Sample Cover Letter For Data Entry Clerk
Printable Meal Tracker Template
Manager Resume Sample
Personal Financial Plan Template Word
Resignation Letter Templates
Monthly Retainer Agreement Template
Ncdot Certification Classes
Quarter Inch Ruler Printable
Newtons Laws Of Motion Worksheet 5th Grade Pdf
Printable Pregnancy Announcement
Simple Inventory Excel Template
Minimal Email Template
Legal Guardianship Letter Sample
Resignation Letter Sample Free
Nuchal Translucency Certification
Seat Leon Mk2 Fuse Box Diagram
Personal Finance Personal Cash Flow Template Excel
Printable Free Budget Worksheet Pdf
Printable Time Log Sheet
Overlay Photo Booth Templates Free
Sample Contract For Services Rendered
Moana Centerpieces Printable
Printable Acceptance And Commitment Therapy Worksheets
Purchase Resume Templates Word
Michael Hyatt Blog Template
Printable Blank Volleyball Jersey Template
Onboarding Schedule Template Excel