Printable DB
1997 Ford Explorer Brake Line Diagram
atla q amp a 108 wiring diagram
1978 yamaha dt 125 wiring diagram
2007 volkswagen jettum 2 5 fuse box layout
cda certification michigan
avery 4x6 labels 2 per sheet template
2002 dodge ram engine wiring harnes
business name certificate copy
ach instructions template
Need Help With 96 Explorer Brake Line Routing Ford Truck
Encontra Manual 1994 Ford Explorer Brake Line Diagram
I Need A 1997 Ford F150 Brake Line Diagram Fixya
1996 Ford F 250 Brake Lines Ford F 250 Brake Line Diagram
Ford Ranger Brake Line Diagram Wiring Schematic Diagram
1997 Ford Brake Diagrams Wiring Diagrams Folder
Ford Ranger Brake System Diagram Machine Learning
1997 Chevrolet Astro Brake Line Diagram Questions With
Ford Ranger Brake Line Diagram Wiring Schematic Diagram
Solved Im Looking For A Brake Line Diagram Of All The Fixya
Ford Ranger Brake System Diagram Machine Learning
1997 Ford Brake Diagrams Wiring Diagrams Folder
F150 Engine Diagram Schematics Online
Solved Im Looking For A Brake Line Diagram Of All The Fixya
Details About 1995 1997 Ford Explorer Disc Disc Complete Brake Line Set Kit 8pc Oe Steel
1997 2000 F 150 2wd Stainless Steel Brake Line Kit
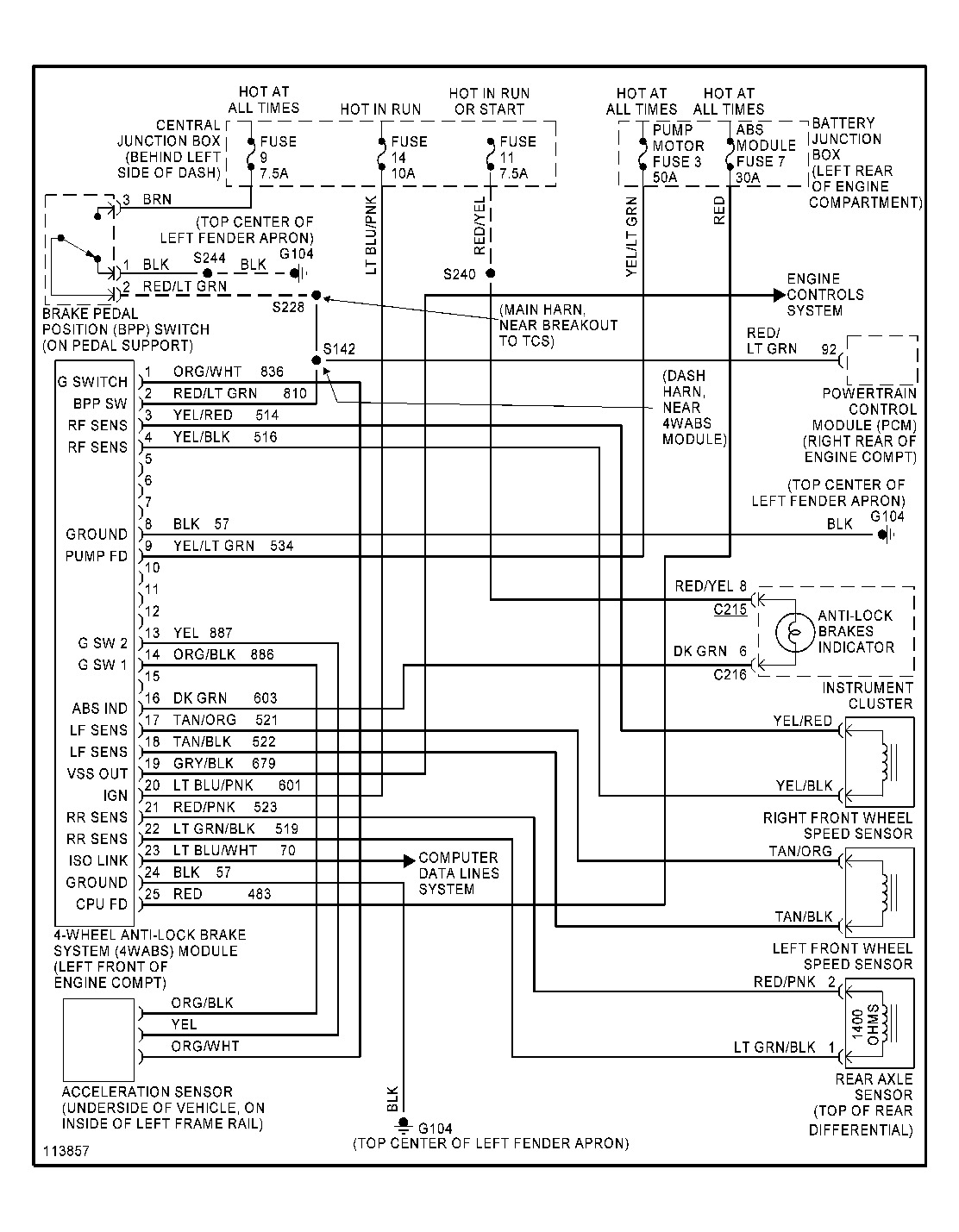
2000 Ford Explorer Abs System Where Is Abs Module Located
Ford Ranger Brake Line Diagram Wiring Schematic Diagram
1997 Dodge Ram 1500 Brake Line Diagram Wiring Schematic
1993 1994 Ford Bronco Brake Line Set 9 Pcs Steel
1998 Ford Explorer 5 0 Fuse Diagram Wiring Diagrams Folder
Source :
pinterest.com
Popular Posts
Gm Egr Valve Wiring Diagram
Cvce Long A Worksheets
Google Drive Templates Calendar
How To Wire A Two Way Switch With One Light
Good Resume Program
Epic Certification 2019
Free Collection Letter Template
Hair Color Formulation Worksheets
Implementation Plan Template Ppt
Excel Payslip Sample Philippines
Free Service Proposal Template
Dr Seuss Worksheets Preschool
Gi Certification Diamonds
How To Wire A Boat Trailer Lights Diagram
Dc Motor Field Winding
Customer Tracking Template
Employee Award Certificate Ideas
Free Printable Tidy Cat Litter Coupons
Diagrammer To Go
Fha Cash Out Refinance Worksheet
Event Sponsorship Agreement Template Free
Isuzu Forward Wiring Diagram
Football Birthday Party Invitation Template
Fisher Minute Mount 2 Wiring Dodge
Hotel Registration Form Sample
Fuse Box Lincoln Mark Lt
La Marzocco Wiring Diagram
Free High School Math Worksheets
Cribbage Board Templates Metal
Fall Powerpoint Templates
Grade 2 Math Facts Worksheets
Excel Appraisal Template
Identify The Topic Sentence Worksheet
Excel High School Schedule Template
Jewish Naming Certificate
Editable Quotation Template Free
Fiction And Nonfiction Worksheets 1st Grade
Drawing Conclusions Worksheets
Free Printable Construction Contract Template
Financial Need Sample Scholarship Essays
Jersey Mikes Subs Coupons Printable
Foldable Label Template
Free Mutual Nda Template
Faq Website Template
In Kind Donation Thank You Letter Template
Free Printable Printable Car Track
Lamp Holder Wiring Diagram
Dodge Ram Stereo Wiring Sony
Election Flyer Template
Employee Incident Report Template Word
Grand Opening Invitation Template
Dodge Ram 2500 Trailer Wiring
Free Easy Lease Agreement Template
Free Ketubah Template
Fuse Box Mercede Benz