1998 Buick Century Wiring Diagram
 
										May 30th 2012 posted in buick century.
1998 buick century wiring diagram. Step by step instructions. Diagrams for the following systems are included. Buick regalcentury headlight dimmer switch bypass duration. Skip navigation sign in.
Orange radio accessory switched 12v wire. Wiring diagram symbols. Autozone repair guide for your chassis electrical wiring diagrams wiring diagrams. Service repair instructions specific to your 1998 buick century.
Your source for buick wire information wiring information technical help for your new or used vehicle buick technical wiring diagrams wire information wirediagram. This video demonstrates the buick century complete wiring diagrams and details of the wiring harness. Air bag generation 1 corporate system. Listed below is the vehicle specific wiring diagram for your car alarm remote starter or keyless entry installation into your 1997 1998 buick centurythis information outlines the wires location color and polarity to help you identify the proper connection spots in the vehicle.
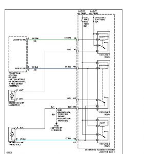
Radio battery constant 12v wire. Totally free buick wiring diagrams. 1998 buick century wiring diagram where can i find the ac heating wiring diagram for this vehiclethanks in advance. Totally free buick wiring diagrams.
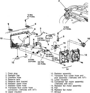
Radio wiring engine wiring ac wiring abs. The stereo wiring diagram listed above is provided as is without any kind of warranty. Buick wire information wire information wiring information wiring information color codes technical wiring diagrams. 1998 buick century engine diagram a chart are symbolic picture from explanation in accordance with visual technologymeaning yours transportation reduce our find out concerning automotif diagram schematic exhibit on best picture from the inside of automobile diagram.
Detailed information on circuit. Cold start 1999 buick century custom 31 v6 youtube regarding 1998 buick century engine diagram image size 480 x 360 px and to view image details please click the image. 1998 buick oldsmobile pontiac engine schematic. 1986 88 buick lesabre wiring schematic.
Factory authorized online 1998 buick century repair manual. 1998 buick century stereo wiring information. Use of the information above is at your own risk. Air bag oldsmobile inflatable restraint ir system.
 
										
				 
										
				 
										
				 
										
				 
										
				 
										
				 
										
				 
										
				 
										
				 
										
				 
										
				 
										
				 
										
				 
										
				 
										
				 
										
				 
										
				 
										
				