Printable DB
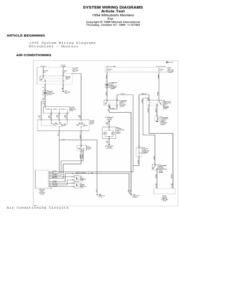
1998 Mitsubishi Montero Wiring Diagram
template free miniature free printable tooth fairy letter and envelope
telephone network interface box diagram
top it certification
usps certified mail return receipt cost
time and material template for construction
wiring diagram for 1971 mustang convertible
student simple memo sample
wiring a 230v air compressor
Repair Guides
Mitsubishi Montero 1998 Manual Part 38
Mitsubishi Montero 1998 Manual Part 261
Mitsubishi Montero 1998 Manual Part 219
1999 Mitsubishi Montero Wiring Diagram Wiring Diagram Update
Stereo Wiring Diagram For 1998 Mitsubishi Montero Wiring
98 Montero Fuse Diagram Wiring Diagram Data
1996 Montero Blower Motor Wiring Diagram 1994 Mitsubishi
Mitsubishi Montero Sport Questions Need Factory Stereo
Repair Guides
2003 Mitsubishi Montero Sport Electrical Wiring Wiring
Mitsubishi Montero 1998 Manual Part 198
Mitsubishi Pajero Workshop And Service Manuals Wiring Diagrams
Www Pajero3 Info Pajero 3 Audio Wiring Diagram
Mitsubishi Montero Sport Wiring Diagram Years 1997 1998
94 Pajero Wiring Diagram Car Body Styles Car
Repair Guides
Mitsubishi Montero 1998 Manual Part 287
Mitsubishi Montero Sport Wiring Diagram Years 1997 1998 1999 2000 2001 2002 2003 2004 Pdf Manual Download
Mitsubishi Montoya Wiring Diagram Catalogue Of Schemas
01 Montero Sport Fuse Diagram Wiring Diagram
Source :
pinterest.com
Popular Posts
2005 Dodge Ram 1500 Fuse Diagram
2008 Chevy Equinox 3400 Engine Diagram
Cat6 Cable To Hdmi Converter
2000 Ford Explorer Ignition Fuse
1994 Ford Ranger Xlt Fuse Box Diagram
Chase Freedom Card Receipt
Chevrolet Colorado Wiring Diagram Ground
Carters Gift Certificate
Car Fuse Box Problem
Acknowledgement Receipt Sample For Check Payment
Aftermarket Radio Wiring Diagram 2004 Chevy Classic
Clipart Free Lawn Care Logo Templates
Canada Visa Application Form Sample
10 More 10 Less Worksheets Pdf
Background Christmas Card Templates For Photoshop
Construction Company Profile Template Doc Free Download
Accord Wagon
2011 Bmw 328i Fuse Box
123 Certificates Certificate Templates Word
2 Bedroom Electrical Plan
Business Sample Of Organizational Structure
Blank Simple Last Will And Testament Sample
Athletic Trainer Soap Note Template Athletic Training
Chevrolet Wiring Diagram Free
7 Pin Truck Diagram
Aspca Tax Receipt
2017 Chevy Sonic Fuse Box Diagram
2019 F150 Radio Wiring Diagram
5 Year Calendar 2019 To 2023 Printable
Banquet Event Order Template Word
Camp Counselor Duties Resume
Cleaning Business Forms Templates
94 Jeep Cherokee Fuel Pump Wiring Diagram
1953 Chevy 210 Wiring
Bathroom Exhaust Fan And Light Combo Wiring Diagram
Construction Safety Checklist Template
Avery Ticket Template
110v Schematic Wiring In Series
110cc Chinese Atv Cdi Wiring Diagram
Attestation Form Rapidpass Sample
Annual Work Plan Template Word
6 Pole Toggle Switch Wiring Diagram
Certificate Bpi Bank Statement Sample
2008 Ford F350 Trailer Plug Wiring Diagram
8th Grade Math Worksheets For Grade 8
Christmas Letter Templates From Santa
Coaching Action Plan Sample
Car Wiring Diagram Free Download Softwer
1920s Invitation Template Free
Call Monitoring Form Template In Excel
05 Subaru Wiring Diagram
2008 Dodge Ram 1500 4x4 Fuse Box Diagram
Classroom Management Plan Template Kindergarten
Coachman Rv Wiring Diagram
Avery 5302 Template Illustrator