Printable DB
1999 Cadillac Deville Ac Fuse Location
single member llc resolution template word
without prejudice sample response letter to demand for payment
times tables worksheets
worksheet neutralization and titration
wedding certificate frame uk
smart label template 2569
wiring diagram for stereo amplifier
wiring star delta starter control circuit diagram schematic
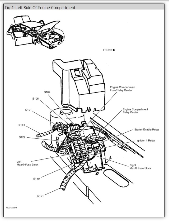
Cadillac Deville 1999 Fuse Box Diagram Auto Genius
Cadillac Deville 1999 Fuse Box Diagram Auto Genius
A C Relay Location Exactly Where Is The A C Compressor
Cadillac Deville 1999 Fuse Box Diagram Auto Genius
Cadillac Deville Questions What Fuse Amp Controls The
Blown Fuse Check 1994 1999 Cadillac Deville 1997 Cadillac
A C Relay Location Exactly Where Is The A C Compressor
Interior Fuse Box Location 1994 1999 Cadillac Deville
A C Relay Location Exactly Where Is The A C Compressor
Repair Guides
Blown Fuse Check 1994 1999 Cadillac Deville 1997 Cadillac
Solved Print Out 1998 Seville Sls Fuse Panel And Relay Fixya
Trying To Find The Third Fuse Box
Diagram For Under The Seat Fuse Box On 2001 Sts Seville
Repair Guides
Cadillac Deville Questions Which Master Fuse Under Back
Solved I Need A Diagram Of Fuse Panel For My 1985 Fixya
A C Relay Location Exactly Where Is The A C Compressor
Diagram For Under The Seat Fuse Box On 2001 Sts Seville
1999 Cadillac Seville Wiring Diagrams Schematics Online
Repair Guides
Source :
pinterest.com
Popular Posts
Printable Birthday Invitations For Boy
No Dogs Allowed Signs Except Guide Dogs Printable
Lessons Learned Template Free Download
Printable Scholarship Certificate Templates
Nfpa 70e Risk Assessment Template
Perfect Resume Outline
Printable Newspaper Template Doc
Sample Hunting Lease Agreement
Marketo Certification Cost
Sample Natural Birth Plan
Resume For Lawn Care Worker
Post Incident Review Template
Remote Fuel Filter Kit
Prom Invitation Templates
Love Beauty And Planet Printable Coupons
Religious Studies Certificate
Project Dashboard Excel Template Free
Printable Fake Ged Certificate For Free
Powerpoint Presentation Baseball Powerpoint Template
Short Recommendation Letter Sample
Office Depot Address Label Template 612 221
Printable Fairy Tales
School Safety Plan Template
Sample Hospital Housekeeping Checklist
Resume Outline Free
Sample Non Profit Grant Proposal Templates
Microsoft Excel School Report Card Template
Learning English Worksheets
Medical Fsa Receipt Template
Scholarship Application Letter Sample Doc
Msd 7al Wiring Diagram Ford
Resource Directory Template
Printable Drug Cards
Printable Snellen Chart Pdf
Mitsubishi Pajero 2004 Pi
Outer Space Invitation Template
Pamphlet Template For Google Docs
Sample Persuasive Speech Outline Examples
Motion Sensor Light Switch Wiring Diagram Small Pir
Personal Bank Statement Template
Resume Format 2019 Template
School Project Tourist Brochure Template
Mercede Benz E320 Fuse Box Layout
Mercury Xr2 Outboard Wiring Diagram
Penguin Template Stencil
Loan Officer Website Templates
Printable Cut Out Bat Template
Print Newsletter Templates
Reborn Birth Certificate
Printable Work Order Template Excel
Sample Divorce Affidavit Letter
Mortgage Discharge Letter Sample
Mdm Push Certificate
Pay To Have Resume Done
Process Improvement Templates Free