Printable DB
2006 Hyundai Santum Fe Wiring Diagram
plot diagram template pdf
sample memo for meeting announcement
onenote daily planner template 2020
sap treasury certification
rbt certification exam cost
overhead crane electrical wiring diagram
lesco z two wiring diagram
printable word document blank newspaper template
I Need The Wiring Diagram For The Power Supply On An
Santa Fe Wiring Diagram 2003 Wiring Schematic Diagram 90
2007 Hyundai Santa Fe Fuel Pump Wiring Diagram Sport Cars
Hyundai Wiring Diagrams 2001 To 2006
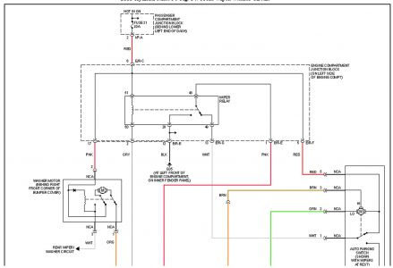
Power Windows Won T Work 2006 Hyundai Santa Fe V6
Hyundai Start Wiring Diagram Wiring Diagram
2001 Hyundai Santa Fe Speed Sensor Wiring Diagram Wiring
Solved Maf Wiring Diagram 2004 Hyundai Santa Fe Sensor Fixya
2001 Hyundai Elantra Transmission Wiring Schematic Wiring
Hyundai Wiring Diagrams 2001 To 2006 Youtube
Fuse Box Location 05 Hyundai Santa Fe 2013 2005 Wiring
2001 Hyundai Santa Fe Fuse Box Swift Electrical Schemes
2001 Hyundai Santa Fe Fuse Box Swift Electrical Schemes
2004 Hyundai Santa Fe Fuse Diagram Wiring Schematic
Driver S Side Fuse Box Diagram Of Hyundai Santa Fe 2010
Blower Motor Not Working Why Is My Air Conditioning Is Not
2006 Hyundai Santa Fe Repair Shop Manual Set Original
I Need The Full Wiring Diagram For The Radio In My 2010
Hyundai Santa Fe 2001 2006 Monsoon Radio Am Fm 6 Disc Cd W Aux Input 12239439
2005 Elantra Engine Wiring Diagram Wiring Library
2009 Sante Fe Power Drivers Seat Hyundai Forums
Source :
pinterest.com
Popular Posts
Photo Collage Template Indesign
Roommate Sublet Agreement Template
Shared Multi Family Property Worksheet
Simple Contract For Services Template Free Uk
Massage Menu Template
Mustang Fog Light Wiring Harnes
Sample Inquiry Letter To Supplier
Sample Cash Voucher Format Excel
Point Of View Worksheets 3rd Grade
Observation Teacher Performance Appraisal Sample Comments
Physical Exam Templates
Nonprofit Policies And Procedures Manual Template
School Bookmark Template
One Day 24 Hour Schedule Template
Network Certification Training
Mortgage Note Template
Owner Financing Agreement Template
Sales Forecast Template
Php Form Template Bootstrap
Number Handwriting Worksheets
Project Expression Of Interest Sample
Silent E Worksheets For 2nd Grade
Lexu G 450h Fuse Box
Self Employed Resume Template
Planner Scheduler Certification
Polari Rzr 900 Forum
Purchase Requisition Form Sample
One Page Marketing Plan Template Pdf
Mazda Mpv Tail Light Wiring Diagram
Printable Carbonless Paper
Sales Coaching Form Template
Printable Valentines Day Bingo
Product Matrix Template Excel
Mardi Gras Party Invitation Template Free
Resignation Confirmation Letter Sample
Powerpoint Downloadable Swot Analysis Template
Sign Up Form Html Template
Lease Template Illinois
Printable Receipt Template Free
Malarium Symptom Diagram
Photo Montage Template Premiere Pro
Professional Word Document Resume Format
Reflective Journal Reflective Writing Template
Sex Website Template
Peterbilt Heater Wiring Diagram
Sales Invoice Template Free Download
Princess Crown Template Printable
Odd Therapy Worksheets
One Page Sales Plan Template
Rent Receipt Generator With Stamp
Property Management Agreement Sample
Reading Comprehension Free First Grade Worksheets
Professional Photo For Resume Singapore
Shopping Cart Template
Product School Certification