Printable DB
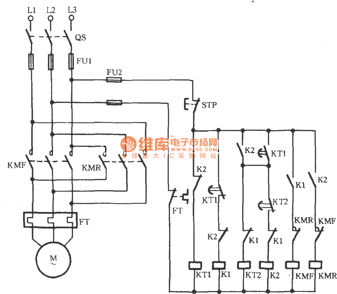
3 Phase Reversing Motor Wiring Diagram
bowling lane arrow dot diagram
bass guitar routing templates
2000 corvette engine diagram
350 mercruiser engine diagram
balanced scorecard certification online
2006 manco intruder ii wire diagram
1955 cadillac series 62 wiring diagram
2012 chrysler town and country fuse box diagram
Forward Reverse 3 Phase Ac Motor Control Circuit Diagram
Forward Reverse Motor Control Wiring Diagram For 3 Phase Motor Urdu Hindi
3 Phase Motor Control Circuit Forward Reverse Tesla
How To Wire A Motor Starter 2013 Issue 5 2005 Library
How To Wire Forward Reverse Motor Control 3 Phase Motor Earthbondhon
Forward Reverse Motor Control Diagram For 3 Phase Motor
Reverse Motor Starters
Three Phase Motor Automatic Limiting Reversing Circuit
Electrical Wiring Diagram Forward Reverse Motor Control And
Static Reversing The Three Phase Induction Motor
Practical Machinist Largest Manufacturing Technology Forum
Power Circuit Of A Star Delta Or Wye Delta Forward Reverse
Three Phase Motor Using Limit Switch For Automatically
Motor Control For 3 Phase Induction Motors
Reversing A 3 Phase Asynchronous Motor Using Limit Switches
3 Phase Motor Reversing With Delay And Limit Switches
Practical Machinist Largest Manufacturing Technology Forum
How Can Direction Of Rotation Of 3 Phase Induction Motor
Electrical And Electronics Engineering Forward Reverse
3 Phase Motor Wiring Diagram U V W Forward Reverse Pdf 480v
Reversing Drum Switch Wiring Diagram Bcberhampur Org
Source :
pinterest.com
Popular Posts
Subject Verb Agreement Worksheets Grade 3
Vocabulary Cube Template
Teacher Appreciation Note Template
Word Find Puzzles Printable
Taco Sr502 Wiring Diagram
Spreadsheet Staffing Plan Template Excel
Talent Management Strategy Template
What Receipt Printers Work With Square
Weekly Meal Planner Template Free
Wiring Diagram Electrical Symbol
Tekonsha Voyager Wiring Diagram Ford F 450
Wiring Schematic Bathroom Light
Two Week Schedule Template
Starting Wiring Diagram For Murray Riding Lawn Mower
Wire Diagram 1988 Jeep
Sql Certification Cost
Wiring Motor Electric Leeson Diagram C195t17fb60b
Turkey Template Printable Free
Staffing Template Excel
Th400 Transmission Parts Diagram
Walmart App Scan Receipt Money Back
Tumblr Resume Templates
Understanding Electrical Schematic
Video Production Schedule Template Excel
Youth Pastor Resume
Wedding Ppt Templates Free Download
Tiki Invitation Template
Weekly Project Status Report Template Excel Free Download
Simple Printable Birthday Invitations
Thawte Ssl Certificate
Toyotum Entune Wiring Diagram
Wiring Bachmann Turnout
Wiring Diagram 1997 Mustang Cobra
Target Receipt Scanner App
Stereo Wiring Diagram 92 Mazda B2600
Workout Schedule Templates
Template Story Board Template Storyboard Examples
Typical Hand Off Auto Wiring Diagram
Weekly Payroll Payroll Sheet Sample
Vacation Itinerary Template
Wireles Ip Camera System Diagram
Vermeer Fuel Filter
Wiring Harnes Replacement
What To Write On My Resume Profile
Two Gang Two Way Light Switch Wiring Diagram
Swisher Trail Mower Wiring Schematic
Slave Contract Template
Standard Employment Agreement Template
Template Printable Tanning Client Cards
Timesheet Policy And Procedure Template
Where I The Inside Fuse Box For A 01 Town Country
Work Schedule Template Monthly Calendar
Template Declaration Of Trust Sample
Typing A Resume On Microsoft Word
Types Of Web Templates