Printable DB
8n Ford Coil Wiring
fuse box home
introduction to energy worksheet answer key
google shopping feed template
dodge durango trailer harnes diagram
detroit diesel wiring schematic
four way 4 way switch wiring diagram light middle
fender stratocaster pickup wiring diagram
harvard analytics certificate
1950 8n Coil
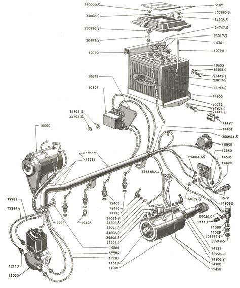
Wiring Diagram For Ford 9n 2n 8n
Ford 8n Side Mount Distributor Wiring Diagram Coil Pack
1950 8n Coil
Ford Coil Wiring Wiring Schematic Diagram
Ford 8n Coil Wiring Wiring Diagram
Ford Tractor 12 Volt Conversion Free Wiring Diagrams 9n 2n
1949 Ford Tractor 2n Wiring Diagram Wiring Diagram
1950 8n Coil
Ford 8n Wiring Schematic Electronic Ignition Diagram Pro
Wiring Diagram For Ford 9n 2n 8n
Ford Ignition Coil Wiring Wiring Schematic Diagram 8
Electrical Wiring Parts For Ford 8n Tractors Asn 263843
Details About Pertronix Ignitor Coil Wires For Ford 2n 8n 9n Front Mount Distributor 12v
Ford 8n Distributor And Coil Installation
Gauge Wiring Ion Yesterday S Tractors 8n Ford
Pertronix Ignitor Coil Wires Ignition Ford 2n 8n 9n Front Mount Distributor 12v
How To Install Electronic Ignition On 8n Ford Tractor
8n Ford Coil Wiring Pdf Epub Library
6 Volt Coil Question Mytractorforum Com The Friendliest
Tisco Sma Ford 2n 8n 9n 6 Volt To 12 Volt Conversion Kit For Models With Front Mount Distributor
Source :
pinterest.com
Popular Posts
Monday Through Friday Calendar Template Word
Pharmaceutical Sales Rep Resume Template
Printable Blank Comic Strip Template 8 Boxes
Sample Letter Of Intent Request For Proposal
Network Wiring Diagram Software
Resume Format Generator
Personal Loan Excel Template
Pretty Email Templates
Moonshine Labels Template
Sas Certification Manager
Manufacturing Business Plan Template
Resume Format Sample 2019
Math Worksheets Grade 1 Addition And Subtraction
Proportional Relationship Worksheet Answers
Oklahoma Principal Certification
Receipt Pal Rewards Change
Resume And Job Search Services
Sample Of Thank You Letter For Business Support
Movie Review Template Printable
Printable Construction Contract Agreement Template
Printable Pdf Printable Printable Calendar 2020 Monthly
Powerglide Transmission Part Diagram
Personal Training Templates Free
Mazda 2 Wiring Diagram 2008
Lender Commitment Letter Sample
Sample Repayment Agreement Letter
Partnership Agreement Sample Mou For Business Collaboration
Museum Label Template
Mva Tax Certification
Moral Character Letter Sample
Saas Customer Journey Map Template
Microsoft Office Certification Template
Publisher Tri Fold Brochure Templates Free
Ph Activity Worksheet
Retro Sound Wiring Diagram
Mla In Text Citation Template
On A 2006 Accord Fuse Box
Monthly Printable Monthly Calendar Template Word
Project Quotation Template Excel
Nature Made Printable Coupons 2019
Sales Commission Commission Letter Sample
Main Electrical Sub Panel Wiring Diagram
Lost And Found Flyer Template
Receipt Organizer Amazon
Lt1 Wiring Harnes 86
Proposal Template Pdf Example Of A Business Plan
New Product Training Template
Personal Assistant Resume
Shareholder Loan Agreement Template Canada
Sample Birth Plan Examples
Livecareer My Perfect Resume Review
Professional Id Card Templates
Pta Flyer Template
Printable Tags With Strings Template
Preschool Learning Binder Printables Free