91 Mazda Wiring Diagram

Wiring diagrams repair guide print see figures 1 through 22.
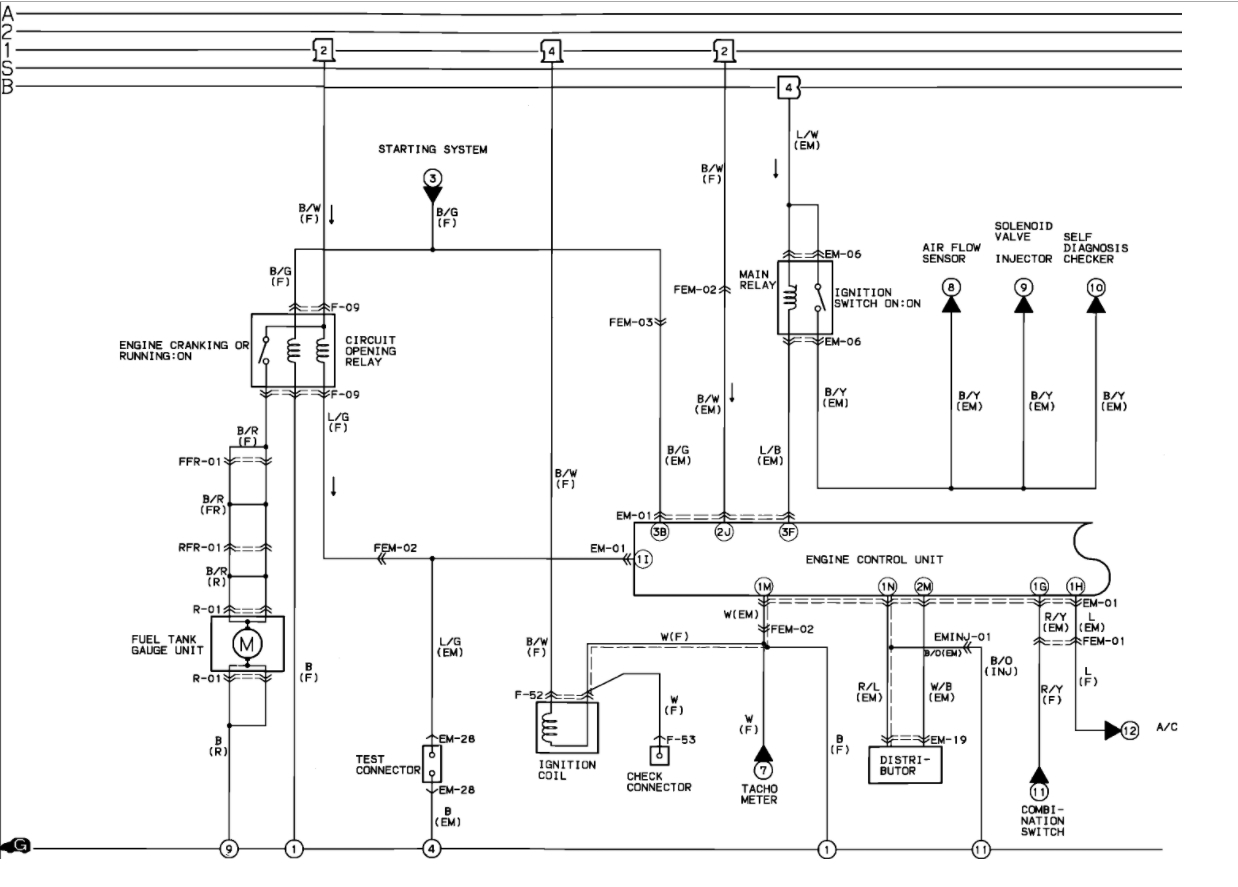
91 mazda wiring diagram. Autozone repair guide for your chassis electrical wiring diagrams wiring diagrams. System wiring diagrams article text p. Starteralternator diagram automatics only. How to read and interpret wiring diagrams.
Mazda trucks 1987 1993 repair guide. Doorlock info and any other aftermarket. Air bag supplemental restraint system. 1990 91 protege323 engine schematics.
1996 mx6626 20l mt engine schematics. Mazda b2200 wire diagrams. This diagram shows how each major system connects to each fuse wire colors to the fuse box and the ignition switch are listed as well. Whether your an expert mazda miata mobile electronics installer mazda miata fanatic or a novice mazda miata enthusiast with a 1991 mazda miata a car stereo wiring diagram can save yourself a lot of time.
Autozone repair guide for your chassis electrical wiring diagrams wiring diagrams. Automotive wiring in a 1991 mazda miata vehicles are becoming increasing more difficult to identify due to the installation of read more read more. 8 1990 mazda miata for yorba linda miata. Wiring diagrams article text 1991 mazda miata for yorba linda miata copyright c 1998 mitchell repair information company llc saturday may 10 2003 1120am.
Mazda car manuals pdf wiring diagrams above the page. Your source for mazda wire information wiring information technical help for your new or used vehicle mazda technical wiring diagrams wire information wirediagram. 1987 93 b series 22l. 1990 96 mazda 626.
Mazda wire information wire information wiring information wiring information color codes technical wiring diagrams.