Printable DB
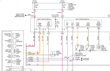
99 Plymouth Voyager Wiring Diagram
funny fake drivers license template
it request form template word
humbucker coil split wiring diagram
editable classroom seating chart template
instagram photo booth template
forklift engine diagram
free printable monthly budget form
gm 1 wire wiring
Repair Guides
Repair Guides
Chrysler Wiring Diagrams
Repair Guides
1999 Plymouth Voyager Se Instrument Cluster Every Once In
1999 Plymouth Voyager Se Instrument Cluster Every Once In
Repair Guides
Repair Guides
Chrysler Wiring Diagrams
Repair Guides
I Need The Wiring Diagram For A 1997 Plymouth Grand Voyager
Wrg 0721 92 Plymouth Voyager Wiring Diagram
Chrysler Wiring Diagrams
99 Plymouth Voyager Wiring Diagram Wiring Diagram
Need Wiring Diagram For Headlight Switch 1988 Chrysler Voyager
Repair Guides
99 Plymouth Breeze Fuse Diagram Wiring Diagrams
1992 Plymouth Voyager Fuel Pump Wiring Diagrams There Is No
Solved Need To Find A Wiring Diagram For A 1994 Plymouth
99 Plymouth Breeze Fuse Diagram Wiring Diagrams
Wrg 7916 99 Plymouth Grand Voyager Fuse Box Diagram
Source :
pinterest.com
Popular Posts
House Wiring 2 Way Switch Connection Diagram
Edge 9000 Wiring Diagram
Excel Product Quotation Template
Flyback Transformer Wiring Diagram
Fender Precision Bass Lyte Manual
Free Italy Printables
Histotechnician Certification Online
Electrical Wiring Diagram Nissan Titan
Ford Eti Wiring Diagram Offline
Ihi Root Cause Analysis Template
Direct Debit Request Form Template
How To Upload Receipts To Ibotta
How To Format A Resume
Free Basketball Poster Template
Diagram Of Where Are The Part Of A Plant
Keep Calm Template Psd
Financial Forecast Template
Dave Busters Coupons Printable
Gift Card Template Photography
Downloadable Free Address Book Template
Instant Ssl Certificate
Daily Planner Cute Agenda Template
Excel Weekly Meal Planner Template
Free Flyers Templates Psd Download
Cricut Printable Vinyl For Shirts
Hotel Resume Examples
How To Cancel Resume Now
Job Letter Of Introduction Sample
Experienced Nurse Resume
Good Moral Character Character Reference Letter For Court Template
How To Make Resume In Iphone
Excel Loan Agreement Template
Excellent Attendance Certificate
Free Hvac Invoice Template Download
Free Sample Resume For Customer Service Representative
Diy Tri Fold Invitation Template
Freightliner Wiring Manual
Dental Health History Form Template
Excel Sign In Sign Out Template
Free Printable Coupons For Aeropostale
Home Building Budget Template Excel
Downloadable Blank Flow Chart Template For Word Free Download
Excel Invoice Template Google Docs
Free Facebook Cover Photo Template
Fixed Asset Tracking Excel Template
Downloadable Word Document Word Doc Downloadable Cover Letter Template Free
Diagram Of Boday
Free Travel Consent Letter Template
Dr Seuss Party Printables
Free Printable Unicorn Birthday Card Template
Date Night Babysitting Coupon Template
Corporate Annual Meeting Minutes Template
Internet Printable Coupons
Fender Player Series Precision Bass Talkbass
Free Sample Project Plan Template Excel