G16e Wiring Diagram

I need the wiring for the selonoid.
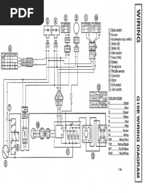
G16e wiring diagram. Yamaha wiring diagrams page. I need the wiring for the selonoid. I have no schematic. Yamaha g16 e golf cart wiring diagram yamaha electric g16 wiring diagram yamaha g16e golf cart wiring diagram.
Im working on a yamaha g16e. Yamaha wiring diagram g14a 328 kb yamaha wiring diagram g14e 202 kb yamaha wiring diagram g16a 318 kb yamaha wiring diagram g16e 205 kb yamaha wiring diagram g19e 311 kb yamaha wiring diagram g1a 174 kb yamaha wiring diagram g1a3 186 kb yamaha wiring diagram g1a5 230 kb. Official yamaha parts list easy repairs with oem diagrams free acccess to parts fiches for yamaha g16 apar 19961997 official yamaha parts list easy repairs with oem diagrams free acccess to parts fiches for yamaha g16 apar 19961997. Golf cart forum golf cart repair golf cart wiring diagrams golf carts modified about us.
Yamaha g16 apar 19961997 parts list. Vintage golf cart parts inc. Model guide browse by model. Ask your own small engine question.
Im working on a yamaha g16e. I have no schematic. Visit the post for more. Hmy documentsgolf caryamahawiring diagramsseriesg14 g16pdf author.
New posts new media new media comments new resources latest activity. Info set as my vehicle. Yamaha g1 wiring harness diagram for nest thermostat outboard rh trailbikes site golf cart latest ez go textron wiring diagram basic ezgo electric golf cart rh roc grp org 1990 yamaha g16 electric wire diagram wiring diagrams instructions wiring diagram for golf cart motor fresh trend yamaha g16 19 lutron 3 way dimmer. We will share this website for you articles and images of wiring diagrams engine schemes engine problems engine diagrams transmission diagrams replacement.