Printable DB
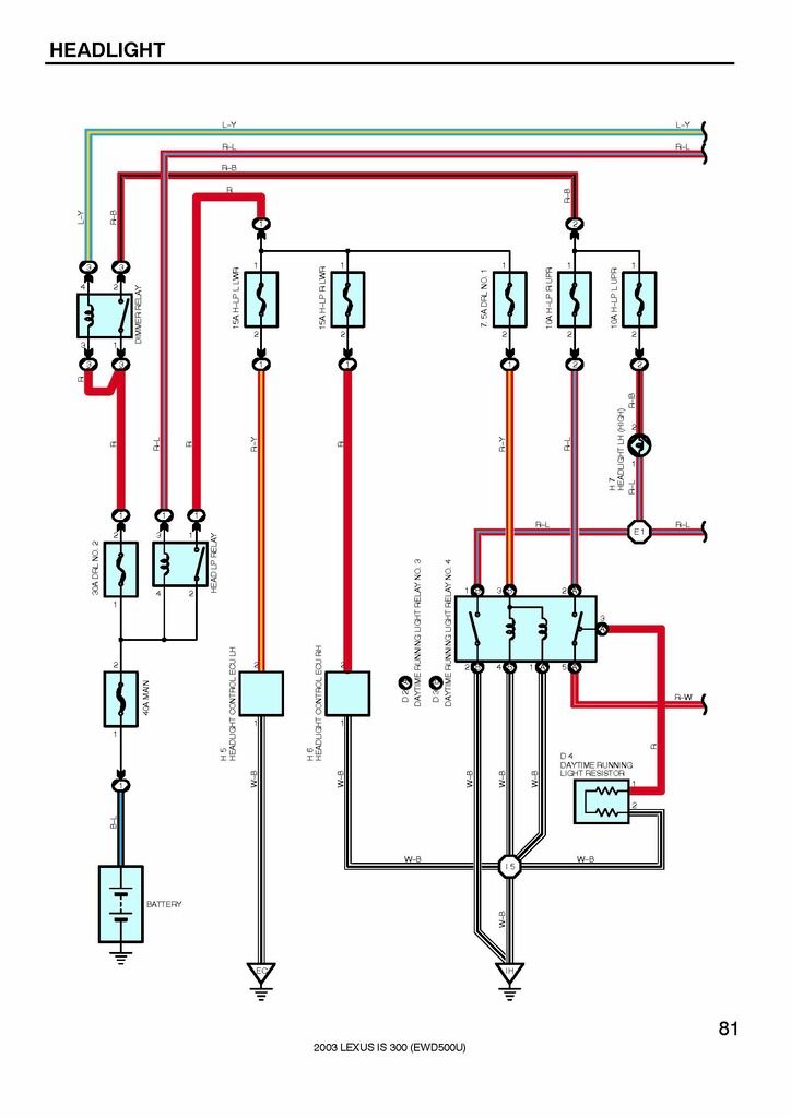
Lexu Is300 Headlight Wiring Diagram
network downtime report template excel
nurse job description sample
printable goodwill donation form pdf
printable fairy tales
purchasing kpi templates
mba fresher resume template
online seller resume
meyer e47 pump wiring diagram
Headlight Wiring Diagram Clublexus Lexus Forum Discussion
Factory Hid Wiring Diagram Clublexus Lexus Forum Discussion
Repair Guides
2002 Lexus Es300 Headlight Diagram Wiring Schematic Wiring
Repair Guides
Instrument Cluster Wiring Diagram Pinout Clublexus
2002 Lexus Is300 Fuse Diagram Wiring Schematic Diagram
Wrg 0704 Is300 Headlight Wiring Diagram
Headlight Wiring Help Lexus Is Forum
2002 Lexus Is300 Fuse Diagram Wiring Schematic Diagram
1997 Lexus Es 300 Wiring Diagram Wiring Diagram
Repair Guides
Lexus Is300 Hid Level Error Ericthecarguy Ericthecarguy
2002 Lexus Is300 Fuse Diagram Wiring Schematic Diagram
Lexus Is Xenon Jdm Headlight Problems Hid Ballast Bulb
Lexus Is 300 Fuse Box Wiring Library
2002 Lexus Is300 Fuse Diagram Wiring Library
Lexus Rx300 Radio Wiring Diagram Wiring Diagram Library
Car Stereo Wiring Diagram Jvc Kd R850 2008 Hyundai Fuse Box
2007 Lexus Is 250 Fuse Box Diagram Wiring Diagram
Details About 2001 Lexus Is 300 Wiring Diagram Manual Original Is300 Electrical Schematic Book
Source :
pinterest.com
Popular Posts
Digicert Certificate Inspector Download
Fuse Box Diagram 1982 Gmc Caballero
Cv Template Word Download Free 2019
Excel Sample Interview Score Sheet Template
Invoice Sheet Template
Japan Resume Whaling
Dual Battery Charging Wiring Diagram
Free Printable Minnie Mouse Birthday Banner Template
Kium Maf Sensor Wiring Diagram Free Download
Kindergarten Powerpoint Templates
Inventory List Template Free Download Word
Graphic Designer Cover Letter Template
How To Change Resume To Pdf Format
Garage Door Invoice Template
Homeline Load Center Wiring Diagram 70a
Dimarzio Bass Pickup Wiring
Downloadable Weekly Exercise Planner Template
Cosmetology Resume Sample
Ford Escape Wiring
French Translator Certification
Goods Return Form Template Excel
Envelope Template Printable
Free Printable Honeydukes Labels
Kawasaki 250 Mojave 4 Wheeler Wiring Diagram
Free Cover Art Templates
Html Template For Kindle Ebooks
Fuel Filter On Dodge Ram V1 0
Free Printable Wedding To Do List
Free Project Management Templates Excel
Excel Sales Roadmap Template
Free Printable Worksheets For Kindergarten
Daily Production Sheet Template
Free Flyer Templates Psd Format
Free Vehicle Inspection Sheet Template
Ihire Resume Writing Service
Flagger Certification Nevada
Google Sheets Monthly Calendar Template
Financial Aid Appeal Letter Sample 150
Cpc Certification Program
Free Cover Sheet Template For Resume
F350 Under Hood Fuse Box
Fortnite Invitation Template Free
Disaster Plan Template
First Communion Banner Templates
Free Printable Fifth Grade Worksheets
Free Printable Paycheck Bill Tracker
Cover Letter Company Introduction Email To Client Sample
Detroit Wiring Diagram
Free Horse Lease Agreement Template
Free Download Estimate Template
Daily Lesson Plan Template Word Document
Electronic Assembly Wire Harnes
Large Star Template Free Printable
Digital Campaign Strategy Template
Ford Truck Fuse Panel Diagram