Printable DB
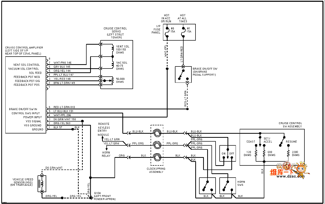
Mazda Cruise Control Diagram
aftermarket pioneer radio wiring diagram
commercial lease termination letter sample
cigarette lighter plug wiring diagram
3 pole rotary switch light wiring diagram
book report template middle school free
black and white skin diagram to label
basic ignition wiring diagram no battery
1945 farmall h wiring diagram
Mazda 626 Cruise Control Circuit Diagram
Mazda 95taurus 3 8l Cruise Control Circuit Diagram
Mazda 3 Owners Manual Cruise Control When Driving
My High Mileage 91 Miata Has Cruise Control And The Dash
1991 Mazda B2600i Cruise Control Wiring Diagram B2600i Com
Mazda 3 Service Manual Cruise Control Switch Inspection
Mazda 96probe 2 5l Cruise Control Circuit Control Circuit
2018 Mazda3 Owner S Manual Mazda Usa
Mazda Cx 5 Owner S Manual
Repair Guides
2018 Mazda Cx 9 Owner S Manual Mazda Usa
Mazda Radar Cruise Control Mrcc System Mazda Radar Cruise
1993 Mazda 626 Dx No Speedometer Or Cruise Control Replaced
Mazda Protege 5 Manual Part 84
Review Mazda Radar Cruise Control Mazda 6 Forums
Mazda 6 Owners Manual Setting The System Mazda Radar
2016 Mazda Cx 5 Owner S Manual Mazda Canada
2018 Mazda3 Owner S Manual Mazda Usa
Cruise Control Not Working On 1990 Mazda Miata Fixya
2004 Mazda 6 Cruise Will Not Activate 75 Of The Time When
Repair Guides
Source :
pinterest.com
Popular Posts
Alli Chalmer Wiring Schematic D
1995 Range Rover Classic Fuse Diagram
Building Maintenance Report Template
Cinematic After Effects Template
Composite Card Template Free
Apology Sample Letter For Not Wearing Office Uniform
7 Day Weekly Schedule Template
Biography Sample Obituary Wording
5th Grade Curriculum Worksheets
Baby Shower Tags Templates Free Printable
1985 Gm Headlight Switch Diagram
Aws Certification Steps
89 Dodge Dakotum Fuse Box Diagram
Baby Onesie Template Free
1999 Audi A6 Engine Diagram
84 Cj7 Wiring Diagram Computer
1998 Dodge Durango Wiring Diagram
2013 Dodge Ram 2500 Fuse Box
Casual Leave Application Sample For Office
Bmw E46 Compact Fuse Box Location
97 Cadillac Alternator Wiring Diagram
Bar Marketing Plan Template
1976 Land Cruiser Wiring Diagram
Cimb Bank Account Template
Bass Guitar Routing Templates
3gen Rx7 Wiring Diagram
Boat Purchase Contract Template
1979 Ford Alternator Wiring Diagram
60 Nova
3d Paper Brick Template
2 Weeks Notice Template Email
85 Blazer Instrument Cluster Wire Diagram
Baby Dedication Certificate Template Printable
2007 Chevy Headlight Switch Wiring Diagram
Company Share Certificate Template
Chopper Engine Diagram
Accredited Investor Certification
Auto Parts Invoice Template
Cat 5 6 And 7
2000 Cr250r Wiring Diagram
Black Panther Birthday Invitation Template
Addition Worksheets For Grade 1 With Regrouping
Bug Report Form Template
Classroom Management Plan Template Kindergarten
2014 Wrangler Fuse Box Diagram
Company Powerpoint Template Examples
Content Calendar Free Template
Barako 175 Kawasaki Barako Cdi Wiring Diagram
Business Playbook Template Powerpoint
Animal Welfare Certification Programs
Ancestry Gift Certificate
Butterfly Diagram
Bill Of Sale Template Pdf Free
Control Self Assessment Template Excel
Adding And Subtracting Fractions Worksheets 6th Grade