Printable DB
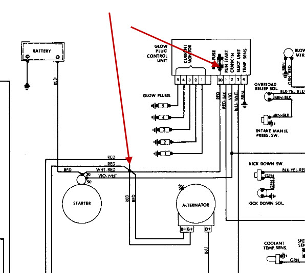
Mercede Benz W123 Alternator Wiring Diagram
free invoice template for landscaping
editable excel family tree template 7 generations
digital marketing plan template pdf
food and fitness journal printable
insurance templates free
l e d circuit diagram
fuse box for 2005 nissan altima
free rental credit application form template
300d Alternator Wiring Help Peachparts Mercedes Benz Forum
W123 Not Charging Dummy Lights Off With Key On Peachparts
1987 Mercedes 300d Alternator Wiring Diagram Wiring
Wrg 9914 Mercedes Benz W123 Wiring Diagram
Wrg 0912 Mercedes Benz W123 Alternator Wiring Diagram
83 300d Alternator Exciter Wire Troubles Peachparts
W123 300td Charging Problems Help Page 2 Peachparts
1987 Mercedes 300d Alternator Wiring Diagram Wiring
Mercedes Benz W123 Alternator Replacement 300td 1977 1985
240d Light Wiring Diagram Wiring Diagram
1987 Mercedes 300d Alternator Wiring Diagram Wiring
Wrg 7792 Mercedes Benz W123 Alternator Wiring Diagram
Mercedes Benz W123 Alternator Wiring Diagram Wiring Library
Mercedes Benz W126 Wiring Diagrams Free Pdf Actros Diagram
240d Light Wiring Diagram Wiring Diagram
Mercedes Benz W123 Wiring Diagram Wiring Library
190e Confirmation Of Wiring For New Alternator Mercedes
Mercedes Benz W123 Alternator Replacement 300td 1977 1985
Help With Wiring 300d Bare Engine Mercedes Benz Forum
Mercedes Benz W123 Alternator Wiring Diagram Wiring
Wrg 1822 Mercedes Benz W123 Alternator Wiring Diagram
Source :
pinterest.com
Popular Posts
Vw Fuse Box Diagram 09
Wiring Diagram For Sr20
Unifi Connection Diagram
Tarot Card Certification
Wheel Offset Diagram Calculator
Simple Loan Agreement Sample Hong Kong
Wordpress Template For Real Estate Business
Squire Wiring Diagram
To Do List For Kids Printable
Student Cv Template Examples
Trifold Blank Brochure Templates Free Download Word
Simple Professional Reference Modern Resume Template 2019
U Visa Certification
Word Free Editable Calendar Template
Small Business Tax Template
Software Deployment Checklist Template
Uscis Interpreter Certification
Weekly Call Report Template Excel
Wiring Diagram For Schematic
The Scarlet Ibis Vocabulary Worksheet Answer Key
Time Tracking Spreadsheet Template
Ski Doo Wiring Diagram For 2004 Tundra
Solar Trickle Charger Wiring Diagram
Thermostat Wiring 3 Wire
Timeline Gantt Chart Template Excel
Weekly Calendar Excel Template 2015
Tao Atum 110 Wiring Diagram
We Buy Houses Business Card Templates
Volvo V70 Wiring Diagram 1999
Summer Camp Poster Template Free
Wiring A Oven Element
Twitter Account Template
Three Phase Induction Motor Connection
Stamp Template Stamp Png
Temperature Gauge Schematic
What Kind Of Skills Do You Put On A Resume
Square D 8903 Lighting Contactor Wiring Diagram
Template Resume Cover Letter Examples
Wiring Diagram For 1979 Gmc Sierra 1500
T8 Emergency Ballast Wiring Diagram
Wiring Diagram Ic Regulator Alternator
Structural Steel Estimating Template Free
Web Design Invoice Template Pdf
Social Security Card Online Receipt
Toy Story 4 Invitation Template
Staffing Model Template Powerpoint
Workflow Schedule Template
Vertical Organizational Chart Template
Wedding Shower Card Printable Free
Womens Day Program Template
Solving Systems By Graphing Worksheet Answer Key Algebra 1
Virgil Abloh Ikea Receipt Rug
Wiring Diagram For Craftsman Circular Saw
Wedding Marriage Certificate Photo Frame
Space Themed Invitation Template