Printable DB
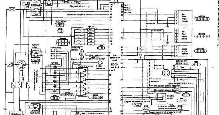
Nissan Ecc Wiring Diagram
birth certificate bond
b guitar two pickup wiring diagram
carpet cleaning work order templates
blank cleaning checklist template
certifications for women
2003 f150 fuse box
80th birthday invitations templates
2007 pontiac grand prix wiring harnes
Nissan Skyline Gt R Eccs Wiring Diagram Engine Control
Nissan Skyline Gt R Eccs Wiring Diagram Engine Control
Twinturbo Net Nissan 300zx Forum Eccs Wiring Diagram In Color
Impactblue Ca18det Reference E C C S Wiring Diagram
Nissan Skyline Gt R Eccs Wiring Diagram Engine Control
1991 93 240sx Ka24de Ecu Ecm Wiring Diagram Zilvia Net
Nissan Sentra Service Manual Wiring Diagram Manual Air
240sx S13 Ka24de Ecu Pinout And Wire Locations Nicoclub
Repair Guides
Wrg 7265 Nissan Gu Wiring Diagram
Nissan Altima 2007 2012 Service Manual Wiring Diagram
Wiring Diagram For Nissan 1400 Bakkie 1 Nissan Toyota
Club S12 Ca20e Eccs Wiring Diagram
1997 Nissan Sentra No Spark From Cables To Plugs The
Nissan Cvt Wiring Diagram Throttle Electrical Components
Ignition System Wiring Diagram 1995 1997 2 4l Nissan Altima
Nissan Sentra Service Manual Wiring Diagram Manual Air
Repair Guides
Eccs Relay Help Normal Or Short To Power Maxima Forums
June 2016 Nissan Skyline Gt R S In The Usa Blog
Egi Relay Getting 12v On Both Pins Zilvia Net Forums
Source :
pinterest.com
Popular Posts
Nrp Certification Cost
Printable Whoville Houses
Mental Illness Worksheets
Outbound Calls Resume
Professional Email Writing Samples For Job Application
Printable Sesame Street Characters Faces
Short Work Biography Template
Math Expressions Grade 3 Worksheets
Letter To A Friend Template
Potter Brumfield Wiring Diagram
Sample Proposal Template Word
Sample Agenda Template Powerpoint
Safe Operating Procedure Template South Australia
Sample Of Product Warranty Certificate
Naming Ionic Compounds Chem Worksheet 8 2 Answer Key
Office Fuse Box
Sample House Rental Application
School Student Project Report Sample
Mercede Benz 2006 C230 Fuse Box Diagram
Purchasing Kpi Templates
Sample Letter Requesting Debit Note
Short Cover Letter Template
Leave Template Email
Peacock Cut Out Template
Office Depot Address Label Template 612 221
Logo Corona Beer Label Template
Oscar Themed Invitation Template
Scholarship Grant Scholarship Letter Sample
Receipt Powered By Mobivity
Rj45 Ether Cable Wiring Diagram Color Color
Material Requisition Template
Printable Simple Mobile Home Purchase Agreement
Printable Sunday School Lessons For Toddlers
Printable Ncaa Bracket 2019
Microsoft Project Templates
Microsoft Excel Bookkeeping Templates
Printable Hanging File Folder Tab Inserts
Learning Cursive Worksheets
Schedule Duty Roster Sample
Resume Application Letter For Teacher
Lutron 3 Way Wiring Diagram Led
My Invoice Template
Project Network Diagram Template Excel
Sample Memorandum Of Agreement Between Two Parties Philippines
Mm04 Esp Pre Amp Wiring Diagram
Quad 5 Pin Cdi Wiring Diagram
Sample Letter Of Support For Research Project
Registered Nurse Nursing Resume Templates
Salary Advance Template Letter
Marketing Manager Resume Sample Doc
Model Cover Letter For Resume
Medical Certificate For School Absence
Quickest Tabc Certification
Sample Quit Claim Deed For Divorce
Screen Time Contract Template