Printable DB
Wireles Remote Control Wiring Diagram
2008 ford focu fuse box diagram
1997 bmw 318i fuse box diagram
appointment letter sample pdf for teacher
checking deposit slip template
business card template ideas
1996 vw golf radio
aws certification timeline
2000 lexu es300 window regulator
How To Build A Simple Fm Wireless Remote Switch
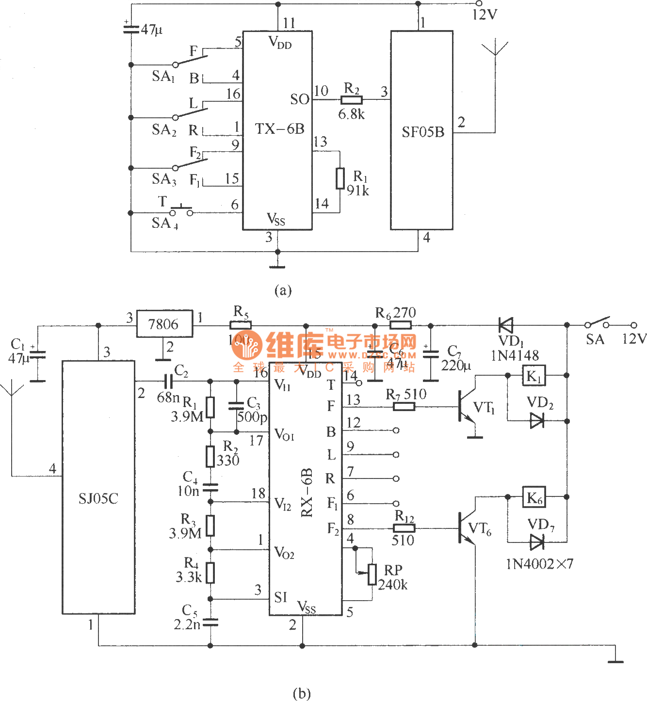
Crane Wireless Remote Control Circuit Diagram Sf05b Sj05c
Jhe Led Light Bar Remote Control Switch Relay Wiring Harness Remote Switch Wireless Control On Off Strobe Flash Pulse For Led Light Bar Wire
Atv Wireless Remote Wiring Diagram
How To Build A Simple Fm Wireless Remote Switch
2000m Wireless Remote Control Dc 12 Voltage Diffuser
Single Color Multi Function Wireless Remote Control
Generic Smart Home 433mhz Dc 12v 1ch Wireless Remote Switch
Toy Car Diagram Catalogue Of Schemas
Led Light Bar Remote Control Wire Harness Wireless Remote Control Wire Harness For Led Light Bar Driving Light Fog Light Pod Light Work Light
Ac 220v Motor Wireless Controller With Transmitter
Smart Home 433mhz Dc 12v 1ch Wireless Remote Switch Relay Receiver Transmitter Universal Remote Control Switch Module And Rf Transmitter Remote
Us 7 8 433mhz Universal Wireless Remote Control Switch Dc 12v 4ch Relay Receiver Module With 4 Channel Rf Remote 433 Mhz Transmitter In Remote
Best Options For Ceiling Fan Wall Switch W 2 Wire Cabling
Wireless Remote Control Switches With Key Fobs For Wire Harness Pairs
Badland Winch Wiring Diagram Wire Pass Data Today Controller
Kkmoon Com
433mhz Universal Wireless Remote Control Switch Ac 85v 250v 110v 220v 1 Channel Relay Receiver Module And Rf 433 Mhz Remote Controls Kr2201 4
Details About 12v 4ch Channel Relay Rf Wireless Remote Control Switch 2 Transmitter Receiver
12vdc 433mhz Wireless Remote Control Door Release Button
Led Light Bar Remote Wiring Harness Wireless Remote Wiring Harness For Led Light Bar Driving Light Fog Light Pods Light Work Light Supported Current
Source :
pinterest.com
Popular Posts
1995 Dodge Pick Up Wiring Diagram
2013 Subaru Impreza Fuel Filter Location
1999 Audi A6 Engine Diagram
5th Grade Multiplication Worksheets Grade 5 100 Problems
2003 Cadillac Seville Heater Fan Control Wiring Diagram
Business Development Tools And Templates
Aerospace Quality Certifications
2005 Kawasaki Mule 3010 Wiring Diagram
1999 Jeep Wrangler Fuel Filter Location
7 Wire Honeywell Thermostat Wiring Diagram
2012 Vw Jetta 20 Fuse Box Diagram
Cash Flow Statement Direct Method And Indirect Method
2000 Lexu Gs300 Engine Diagram
Bird Templates To Cut Out
2004 Ford Freestar Fuse Box
2002 Jeep Rio Fuse Box
Apa 6th Edition Cover Page Template
7 Way Trailer Plug Wiring Diagram Ram
Best Certifications 2019
Buffalo Wild Wings Printable Catering Menu
Best Free Project Management Excel Templates
1980 El Camino Fuse Box Diagram
1997 Dodge Ram 3500 Fuse Diagram
Bond Receipt Template Nz
Band Partnership Agreement Sample
1974 Ford F 150 Ignition Modual Wiring Diagram
Barcode Tgi Fridays Receipt
Clarion Dxz785usb Wiring Stereo Diagram Model
2000 Ford E350 Fuse Box Diagram
Business Loi Template
1993 Toyotum Camry Timing Belt
1985 Ford Ranger Radio Wire Diagram
1941 Ford Wiring Diagram
98 Tran Am Wiring Diagram
Chock Full O Nuts Coffee Coupons Printable
Canadian Birth Certificate Bc
Blank Genogram Template Free
Clothing Sale Flyer Template
Company Internal Memo Sample
Bow Tie Analysis Template Download Free
02 Pathfinder Fuse Box Diagram
Cms Hospital Survey Worksheets
208v 3 Phase Generator Wiring Diagram On A Mobile
Christening Invitation Card Template
Contact Us Website Template
7 3 Powerstroke Fuel Filter Location
50 Chevy Starter Schematic
1985 Dodge Ram Alternator Wiring
Birth Certificate Verify Number
Bio Template Instagram
2005 Ford F 250 Fuse Box Diagram
Chinese Atv Engine Diagram
2011 Jeep Patriot Engine Diagram
Ccp Nursing Certification
Avery Big Tab Inserts For Dividers Template