Printable DB
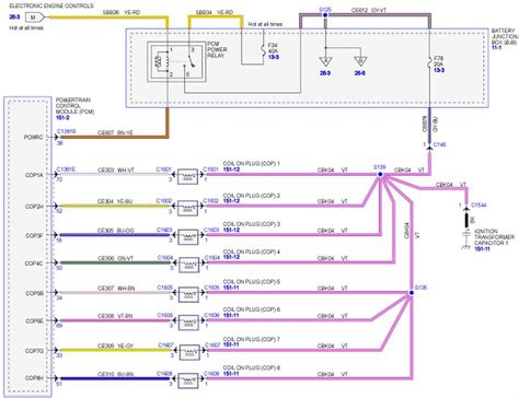
Wiring Diagram For 1986 Strato 169v
resume and linkedin profile writing services canada
printable house sale agreement template
printable picture schedule
purchase request template word
printout free printable emojis pdf
printable balance sheet template pdf
professional resignation letter sample
siem rfp template
Wiring Diagram For 1986 Stratos 169v Wiring Diagram
Wiring Diagram For 1986 Stratos 169v Wiring Schematic
Wiring Diagram For 1986 Stratos 169v Wiring Schematic
Stratos Wiring Diagrams Wiring Diagram
Stratos Wiring Diagrams Wiring Diagram
Stratos Wiring Diagram Wiring Library
Stratos Wiring Diagrams
Stratos Wiring Diagrams Wiring Diagram
I Have A 1986 Stratos 169v Boat The Speedometer Was Not
Hsh Wiring Diagram Wiring Library
Wrg 1374 Obd2 Wiring Diagram For G35
Original Stratos Boat Parts And Accessories Online Catalog
Stratos Wiring Diagrams Wiring Diagram
Stratos Wiring Diagram Wiring Library
Wrg 9165 Interior Travel Trailer Wiring Diagram
Wrg 1635 Toyota Entune Wiring Diagram
Curt 7 Way Plug Wiring Diagram Wiring Resources
Bmw Wire Diagram Wiring Library
Ford Headlight Wiring Colors
1988 Stratos Bass Boat
Wrg 3813 Amtrol Wiring Diagram
Source :
pinterest.com
Popular Posts
Sample Resume For School Students
Reference Letter Sample For Student Applying For Master
Project Based Employment Contract Sample Philippines
Resume Cover Letter Maker
Printable Blank Handwriting Worksheets Pdf
Sample Letter Of Disengagement From Employment
Scope Of Work Template Word
Sample Nurses Notes Documentation
Love Letter Template Printable
Networking Website Templates
Project Management Simple Cost Benefit Analysis Template
Oregon Resale Certificate
Quick Math Worksheets
Sales Representative Resume Templates Free
Quit Claim Deed Template Word
Project Report Templates Free Download
Printable Simple Consignment Agreement Pdf
Leather Bracer Template
Sample Customer Agreement Form
Proof Of Employment Letter Template Pdf
Microsoft Word Outline Template
Responsibility Contract Template
Project Roadmap Template Powerpoint Free
Shrm Certification Cost
Sacrum Diagram
Sample Restaurant Receipt
Printable First Day Of School Signs Etsy
Printable Permission Slip Template
Printable Notebook Template Word
Procurement Request Form Template Excel
Payroll Certification Nyc
Non Profit Resume
Money Math Worksheets Pdf
Make Money Off Receipts
Receipt Scanner Digital Filing System
Real Estate Investment Spreadsheet Template
Property Management Template
Printable 3d Pictures
New Racing Cdi 6 Pin Wiring Diagram
Paper Crown Template Queen
Printable Dominos Menu Pdf
Senior Staff Accountant Resume Sample
Missing Poster Template Printable
Printable Calendar 2020 February
Rheem Air Handler Wiring Diagram
Online Flier Template
Printable Iron On Decals
Math Drills Addition Worksheets
Resume Cover Sample
Principal Certification Exam
My Verizon Documents And Receipts
Math Worksheets For Adhd Students
Roadmap Template For Ppt Free
Professional Short Biography Template
Scientists Clone Human Embryos To Make Stem Cells Worksheet Answers