Printable DB
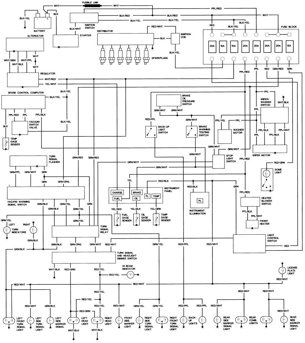
1978 Toyotum Fj40 Wiring Diagram
wiring diagram for a generator
wiring diagram for washing machine
user journey template
spa client intake form template
sop template excel
template linkedin recommendation examples
written witness statement template
third grade review worksheets
Fj40 Wiring Diagrams Ih8mud Forum
Fj40 Wiring Diagrams Ih8mud Forum
1979 Fj40 Wiring Diagram Land Cruiser Toyota Land Cruiser
Fj40 Wiring Diagrams Ih8mud Forum
Fj40 Wiring Diagrams Ih8mud Forum
Fj40 Wiring Diagrams Ih8mud Forum
Fj40 Wiring Diagrams Ih8mud Forum
Repair Guides
Coolerman S Electrical Schematic And Fsm File Retrieval
1978 Toyota Fj40 Land Cruiser Electrical Wiring Diagram
1978 Wiring Diagrams Toyota Land Cruiser Fj40 55 Online
Details About Color Wiring Diagram 11 X 17 For Toyota Fj40 1978 1979
Toyota Fj40 Wiring Harness Wiring Diagram G11
Wiring Harness For Toyota Land Cruiser Fj40 Fj45 Fj55
Details About 1978 Toyota Land Cruiser Fj40 Fj55 Electrical Wiring Diagram Manual 4 2l 2f
Toyota Land Cruiser Fj40 1978
Early Fj40 45 Wiring Diagrams Pirate4x4 Com 4x4 And Off
Fj 40 Wiring Diagram Catalogue Of Schemas
1979 Toyota Fuse Box Wiring Diagram Schematics
2003 Toyota Radio Wiring Diagram Catalogue Of Schemas
Page 185 Land Cruiser Aftermarket Wire Harnesses
Source :
pinterest.com
Popular Posts
Relationship Letter Sample
Printable O Reilly Auto Parts Coupon
Michigan Education Certification Renewal
Representation My Behalf Representation Sample Letter Of Authorization To Represent
Printable Periodic Table Labeled
Marketing Plan Template Excel
Peo Contract Template
Shamrock Template Pdf
Movie Review Template For Students
Pool Party Flyer Template Word
Lead Wire Thermostat Connection Diagram
Outboard Motor Diagram Water
Master Resume Builder
Portfolio Summary Template
Plain Brochure Template
Planning Analytics Certification
Mbe Certification Maryland
Opening Day Balance Sheet Template
Sample Business Plan For Catering Company
Mgic Self Employed Income Worksheet 2018
Powerpoint Jigsaw Puzzle Template
Pontoon Boat Metal
Resume Templates For Mba Freshers
Sample Grant Proposal Cover Page
News Article Format Template
Liability Contract Template
Power Wheels 12v Ride On Car Wiring Diagram
Printable Calendar April 2020 Pdf
Sample Of Psychomotor Objectives In Lesson Plan
Project Status One Pager Template
Printable Minnie Mouse Cake Topper Template
Outline Candy Template Printable
Led Chip Type
Personal Chef Resume
Sample Letter To A Judge On Behalf Of Someone
Personal Action Plan Template For Students
Math Homework Printable Sheets
Reference Supervisor Reference Letter Of Recommendation Samples
Printable Household Budget Template Pdf
Mazda Cruise Control Diagram
Operating Agreement Template Free Download
Nj Apartment Lease Template
Printable Ninjago Birthday Invitations
Pdf Free Printable Lease Agreement
Mercury 150 Assembly Diagram
Oral Motor Diagram
Recruiting Manager Resume Objective
Sample Letter To Probation Officer From Therapist
Personal Profile Template Cv
Registered Nurse Cv Sample For Nurses
Municipality Website Template Free Download
Printable Recipe Cards
Printable Work Time Sheets Templates
Sales Representative Contract Template Free
Marijuana Label Template