1992 Acura Vigor Wiring Diagram

The automotive wiring harness in a 1992 acura vigor is becoming increasing more complicated and more difficult to identify read more read more.
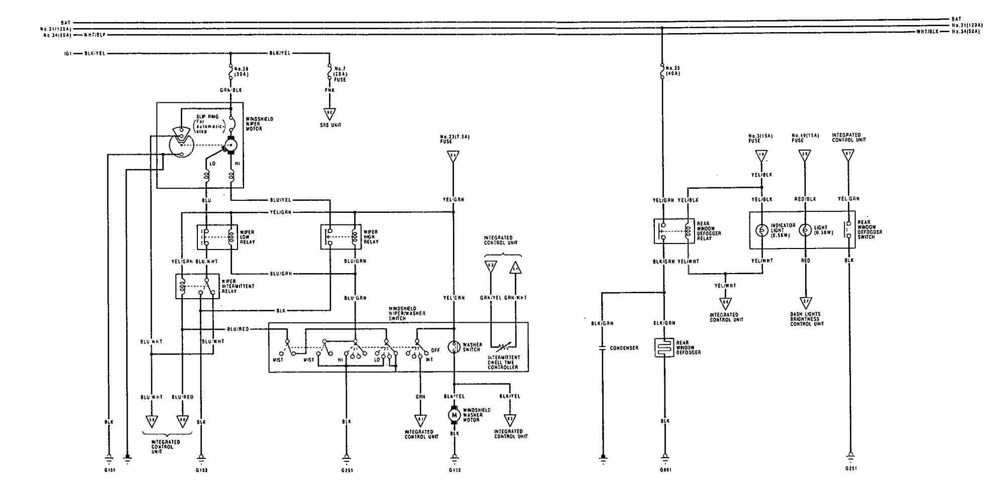
1992 acura vigor wiring diagram. Taillight relay main wire harness dimmer relay battery via starter cable. Your source for acura wire information wiring information technical help for your new or used vehicle acura technical wiring diagrams wire information wirediagram. Alarm disarmed and wiring diagram 1992 acura vigor where do i get the wiring diagram and how do i get the alarm disarmed and the car started. Acura wire information wire info wiring information wiring info color codes technical wiring diagrams.
1995 acura integra 4 door fuse box diagram. Cooling fans acura vigor wiring diagram cooling fans. Whether youre a novice acura vigor enthusiast an expert acura vigor mobile electronics installer or a acura vigor fan with a 1992 acura vigor a remote start wiring diagram can save yourself a lot of time. One of the most time consuming tasks with installing an after market car alarm car security car read more read more.
Listed below is the vehicle specific wiring diagram for your car alarm remote starter or keyless entry installation into your 1992 1994 acura vigorthis information outlines the wires location color and polarity to help you identify the proper connection spots in the vehicle. Whether your an expert acura vigor car alarm installer acura vigor performance fan or a novice acura vigor enthusiast with a 1992 acura vigor a acura vigor car alarm wiring diagram can save yourself a lot of time. Jmartinez in plano il on. Terminal and harness assignments for individual connectors will vary depending on vehicle equipment level model and market.
Wiring information 1992 acura vigor wire color location 12v constant wire white ignition harness 12v ignition wire blackyellow ignition harness second ignition wire yellow ignition harness 12v accessory wire whiteblack ignition harness starter wire blackwhite ignition harness parking lights redblack in green connector at fuse box. Posted by circuit diagram in car fuse box diagrams. 1992 acura vigor fuse box map. Take a second to support admin on patreon.
Acura vigor 1992 wiring diagrams cooling fans. Fuse panel layout diagram parts. 1992 acura vigor 4dr sedan wiring information. 1992 acura vigor alarm disarmed and wiring.
This specific graphic 92 acura vigor stereo wire diagrams 1992 acura. 1992 acura vigor fuse box diagram. Through the thousands of pictures on the net concerning 94 integra radio wiring diagram we selects the very best selections along with ideal resolution simply for you all and this photos is actually one among photographs choices in this finest graphics gallery about 94 integra radio wiring diagrami hope you might like it. Glad to help you and visit us back.