Gate Photocell Wiring Diagram

Electronic home security systems alarms and devices wiring a photoelectric eye to automatic gate opener hi.
Gate photocell wiring diagram. Manual bft phobos n bt catalog bft phobos n bt catalog ii bft phobos bt l brochure bft phobos cut sheet bft phobos maglock diagram p45 swing gate operator. Lighting contactor wiring diagram with cell rc2163e control. Wiring for single set of photocells to cb1 control panel. Bft gate openers part of the df supply inc.
Wiring diagram for cell best wiring diagram vw polo 6n archives. Bft moovi 30 50 ul csa manual bft moovi bt 30 50 manual bft moovi wiring diagram bft moovi cut sheet dampy bollard bft. Each component ought to be set and linked to other parts in specific manner. A wiring diagram is a simplified conventional photographic depiction of an electric circuit.
Otherwise the structure will not work as it should be. Photocell wiring diagram uk click here hi i purchased this swing gate kit and need help in wiring the panel there is a manual wires go to which connector number on the panel. Collection of osco gate operator wiring diagram. Limit switch connection brown nc.
How to wire and connect a intermatic pool pump timer in wiring. I believe this is straightforward but i have no experience with this. If used as a reversing device it will stop and reverse the gate all the way to the open position. Generally speaking the light barrier is fitted at around knee height approx.
Photo eyes are approved for use as safety devices in compliance with ul325 2018 requirements. Photocell wiring diagram 220v photocell wiring diagram came photocell wiring diagram gate photocell wiring diagram every electrical arrangement consists of various different components. Get intermatic photocell wiring diagram sample collections of lighting contactor wiring diagram with cell rc2163e control. Its point of installation depends on the design of the given gatedoor.
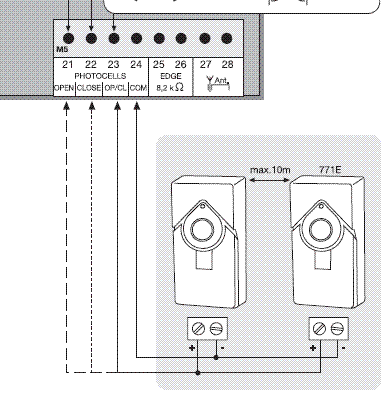
Strobe light connection 24 vdc25 w max antenna antenna connection shield 24 vacdc 24 vac power supply to. The ir sensor provides additional safety to the gatedoor and must be used. View and download bft deimos bt kit ul quick reference manual online. Wiring diagram for power connections 21 checking the gate direction 22 wiring diagram for the battery 23 wiring diagram for a photocell 24 wiring diagram for digital keypad or press button 24 wiring diagram for an intercom 25 terminating ground loop vehicle detector 24 terminating a 7 day timer digital keypad or keyswitch 25.
35 cm above ground level. Deimos bt kit ul gate opener pdf manual download. Giving you earthing through out if your require wiring diagrams for any other part i should make contact and are generally safety devices like.