Printable DB
1995 Gmc Sierra Fuse Box Diagram
mba resume samples
sample purchase order excel format
pi 1999 ford f350 fuse diagram
modern resume template 2019 free
printable sample chore charts
pto excel template
pdf label template
mitsubishi 3000gt fuse box diagram
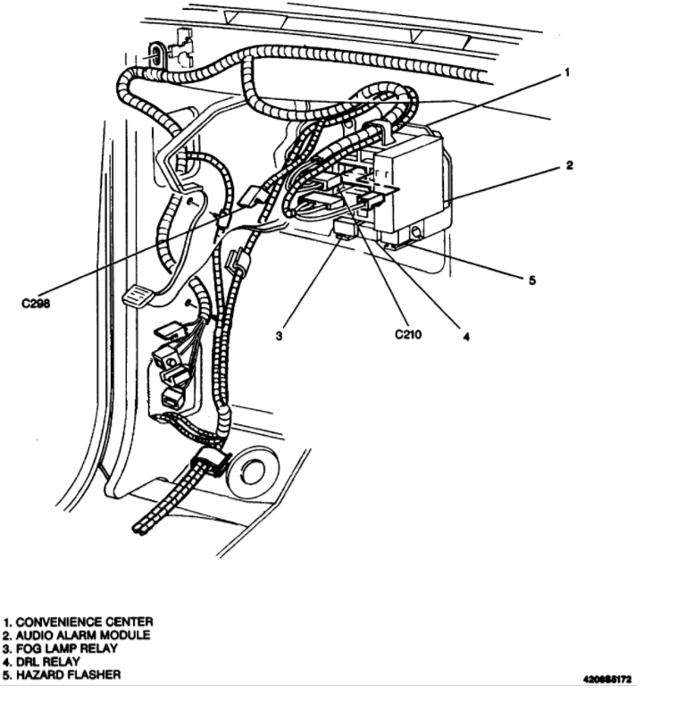
Gmc Sierra Mk1 1995 Fuse Box Diagram Auto Genius
Fuse Box Diagram My Truck Is A V8 Two Wheel Drive Automatic
Fuse Box Diagram My Truck Is A V8 Two Wheel Drive Automatic
1995 Gmc Sierra 1500 Fuse Diagram Image Details
Fuse Diagram For 1995 Gmc Yulon Fixya
Fuse Box Diagram My Truck Is A V8 Two Wheel Drive Automatic
1995 Gmc 1500 Fuse Box Catalogue Of Schemas
1995 Gmc Sierra C1500 Fuse Box Diagram Questions With
Fuse Box Diagram My Truck Is A V8 Two Wheel Drive Automatic
1999 Gmc Sierra Fuse Box Wiring Diagram Schematics
1993 Instrument Panel Fuse Box Gm 4 3l 5 0l 5 7l
2010 Gmc Sierra Fuse Box Diagram 2014 Chevy Silverado Fuse
Wrg 1299 Fuse Box Diagram 2001 Gmc 1500
1991 Gmc Sierra Brake Lights Stop Wont Come On No Power
Fuse Box Diagram My Truck Is A V8 Two Wheel Drive Automatic
98 Chevy Silverado Fuse Box Diagram 1995 Gmc Sierra 1500
Fuse Box Diagram My Truck Is A V8 Two Wheel Drive Automatic
Fuse Box Diagram My Truck Is A V8 Two Wheel Drive Automatic
94 Jetta Wiring Diagram Wiring Diagram Schematics
1995 Gmc Sierra Fuse Box Diagram Instrument Cluster 2019
Download Here Dodge Ram Fuse Diagram Epanel Digital Books
Source :
pinterest.com
Popular Posts
Business Profile Template Pdf
5x5 Blank Bingo Card Template
1998 Ford Tauru Fuse Box Diagram
1994 F350 Wiring Diagram
Contract Summary Template
30 60 90 Day New Hire Plan Template
Business Plan Presentation Template
College Powerpoint Templates
Ace Certification Forensics
Alpine Cda 7893 Wiring Diagram
2002 Jeep Liberty Radio Wiring Diagram
Career Page Design Template
Blank Work Order Template
Airfare Gift Certificates
Abcte Certification Idaho
2018 Tax Computation Worksheetline 11a
Charity Donation Form Template
2000 Expedition Radio Wire Diagram
1995 F150 Wiring Schematic
1996 Chevy Lumina Heater Blower Motor
Circle Sticker Template
2003 Ford Escape Diagram
50th Class Reunion Invitation Template
Avery 8478 Template
Car Title Template
Central Service Certification
Cash Flow Template For Startup Business
College Readiness Worksheets
Catalogue Template Psd
Aanp Certification Test
6th Grade Writing Worksheets Pdf
99 Yamaha Warrior Wiring Diagram
B2b Contract Template
Chevy 4 3 Wiring Harnes
Alcohol Service Certification
Certificate Of Recognition Sample Text
2008 Ford Escape Fuse Box
1989 Ford F150 Starter Wiring Diagram
Commercial Lease Agreement Template Free Pdf Uk
Business Analysis Paper Sample
7 Way Wiring Schematic
50s Invitation Templates
Black Panther Birthday Invitation Template
30 Day Notice To Vacate Maryland Template
1926 Chevrolet Wiring Diagram
Construction Template Wordpress
Ceo Resume Examples
2006 Dodge Ram 1500 Cab Fuse Box Location
2 Humbucker 1 Volume 1 Tone 5 Way Switch
Blank Award Certificate Template Free
2012 Ford Focus Fuel Filter Location
Basic Business Card Template Free
Brand Collaboration Proposal Template
Blog Layout Template Word
Autocop Central Locking Wiring Diagram